联系人:陈先生

187 6268 9796

智能台秤设备


       为针对称重测量设备设计一套兼容型控制面板。面板是基于ARM架构运行linux系统的可交互嵌入式设备(7吋电阻触摸屏),用户可以通过触摸界面配置称重设备和获取称重数据并显示。

1、背景
       嵌入式控制面板方案,用于称重设备控制。

2、基本驱动需求
       (1)双路网口,用于实现设备串联
       (2)1路HOST USB,用于数据传输
       (3)1路wifi模块,客户希望增加蓝牙,需要改方案,同时实现蓝牙和wifi功能
       (4)1路RS485,通过串口转换实现
       (5)1路CAN总线
       (6)RTC实时时钟
       (7)两路串口
       (8)7寸RGB屏,引脚有所调整,需要再确认接口的问题
       (9)4线电阻屏
       (10)1路led指示灯
       (11)1路蜂鸣器
       (12)SD卡

芯片/架构 厂家 主频(MHz) 单价(RMB) 综合性能
S3C6410(ARM11) Samsung 667 /  /
AM3354(A8) TI 800 /  /
IMX6L(A9) NXP 1000 / /

JTAG
       用于AM3354调试、仿真接口,支持边界扫描。
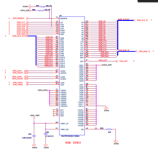
DDR3
       AM3354支持≤16bit ,1Gb地址寻址,支持≤512MB的DDR3。
NAND FLASH
       目前设计为1GB容量,对于android4.2 256MB的容量可完成系统存储,驱动存储。在烧写的u-boot kernel root时应注意启动模式选择,本方案将设计用于烧写和正常启动的boot薄码开关。

IIC/EEPROM
       配置DS2460 带有EEPROM的SHA-1处理器,用于CPU系统认证和加密,同时本方案使用的电源芯片共用IIC总线的EEPROM。

LCD
USB2.0
       USB2514B可以实现4路USB接口,在设计时,保留1路OTG接口。

RS232
IO
       为调试使用,预留部分GPIO接口,用于调试使用
LED
       为调试使用,为关键信号预留LED灯,用于调试使用,如电源,以太网等。
电源
       由于主板使用的电源种类较多,并要求实现上电时序控制,因此使用主芯片TPS65217C芯片作为主电源芯片,并实现24V到5V的降压处理。
 

上一篇:夜视仪设备
下一篇:软件产品

相关产品/Related Products

Copy right © 2019 无锡捷捷兴电子科技有限公司 版权所有   备案号:苏ICP备19028706号 苏公网安备32021402003355号